膠球清洗裝置市場高速增長,總圖持續增強

膠球清洗裝置市場高速增長,總圖持續增強。膠球清洗系統裝置制造企業在積極國內市場,很多生產廠家意圖增加市場份額。更不要說比國外市場比較。膠球清洗近兩年占率汽輪機行業凝汽器市場較高,所以出現膠球清洗廠家高速增長。但就是這樣的市場行業,膠球清洗裝置系統也不免出現故障——膠球清洗系統收球率低原因。
針對小汽輪機凝汽器膠球清洗系統收球率低的問題,對其內部結構進行分析,提出了改造方案并予以實施。分析結果表明,引起膠球清洗系統收球率低的主要原因是由于凝汽器水室設計和膠球泵密封設計不合理造成的。
關鍵詞:膠球收球率;凝汽器結構;膠球清洗系統寧夏大唐國際大壩發電有限責任公司2臺空冷亞臨界600MW機組配置4臺汽動給水泵,小汽輪機為杭州汽輪機有限公司生產的NK63/71型。每臺給水泵汽輪機各自配置1臺水冷凝汽器,凝汽器冷卻水采用開式循環冷卻水系統,凝汽器采用膠球清洗裝置對冷卻水管進行清洗,凝汽器主要設備的設計參數為:型式:管殼式;循環水設計流量:Q=2450m3h;總的有效換熱面積:1000m2;管徑x壁厚為:20mmx0.5mm;管子材質為:TP316L;管子根數為:5230根。
設備公司生產的膠球清洗裝置。
1存在的問題
自2009年5月機組投產以來,5、6號機小機凝汽器膠球清洗裝置經多次調試,收球率比較低,只能達到20%~30%,遠遠達不到設計值95%,致使該系統一直無法正常投運,已嚴重影響機組的安全經濟運行,必須對該系統進行改造。汽機業針對以上情況,成立技術攻關小組,積極聯系廠家
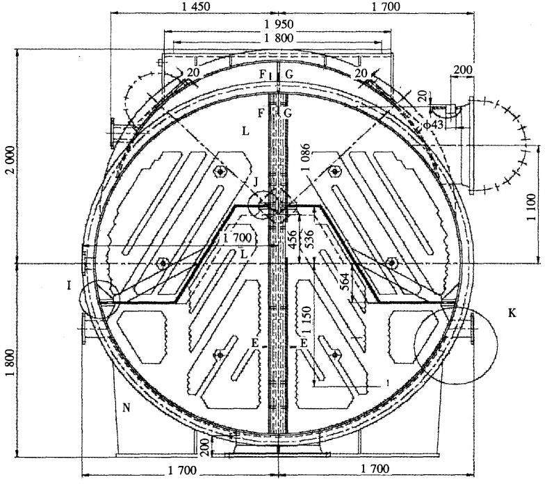
圖1小機凝汽器水室隔板改造前示意圖(單位:mm)進行調研分析。通過現場檢查,認為造成收球率較低的主要原因有以下幾點:
(1)小機凝汽器循環水水室設計不合理。從圖1中可以看出,小機凝汽器循環水進水側被2塊隔板分成3個水室,回水側被1塊隔板(圖中中間虛線處)分成2個水室,這樣循環水在水室中形成4流程;且隔板、支撐板及管板之間形成較多死角,致使膠球從進入冷卻水管到回收需4個流程,由于管道阻力及隔板之間死角,造成膠球不能順利回收。
(2)膠球泵密封設計不合理。本公司膠球泵是蘭州天寶電力設備廠生產的型號為IZJ-100~25型泵。通過對5、6號機膠球泵的檢查,發現膠球泵密封設計為盤根密封,設計不合理,質量差,且不利于平時檢修維護。在泵運行過幾次后,密封就出現了泄漏現象,造成膠球泵達不到設計出力,降低了膠球泵的效率,從而使膠球不能很順利地被回收,降低了收球率。
(3)一次濾網周圍不嚴密。通過對一次濾網進行檢查,發現一次濾網側面及底部有縫隙,這樣就使少量雜物進入凝汽器,易造成少量冷卻水管堵塞。
(4)膠球回收管路布置不合理,彎頭及死角過多,造成膠球不能被順利回收。
2膠球清洗系統改造方案
圖2小機凝汽器水室隔板改造后示意圖(單位:mm)次數,保證了膠球能夠順利回收。
(2)對膠球泵密封進行改造,將原盤根密封更(1)將小機凝汽器水室由4循環改為2循環,這樣循環水量可滿足原設計水量,循環水流速可達到1.8m/s,達到膠球回收設計水平,減少膠球在冷卻水管中的流動次數,使膠球順利回收,具體措施為將凝汽器兩端大蓋卸開,改造內部區域,消除水室內部死角。
從圖2中可以看出,小機凝汽器水室隔板改造后,循環水進水側被1塊隔板分成2個水室,回水側無隔板成1個水室,這樣循環水在水室中形成2流程,且隔板、支撐板及管板之間形成死角減少,并將部分無法消除的死角用不銹鋼板進行了封堵處理,這樣膠球從進入冷卻水管到回收只需2個流程,大大減少了膠球在管路中的阻力及循環換為機械密封,減少泄漏量及日常維護量,提高膠球泵效率。
(3)更換循環水泵進水口處一次濾網,使循環水一次濾網網孔由15mmx15mm改為10mmx10mm,確保周圍密封嚴密;在濾網下端加裝垃圾槽,以免提出濾網清洗時垃圾掉入水中,這樣更好地過濾垃圾等雜質,避免雜物進入凝汽器造成冷卻水管堵塞;并清除凝汽器冷卻水管雜物,確保冷卻水管暢通,提高膠球清洗系統收球率。
(4)根據兩流程小機凝汽器循環水水側流程特點及現場實際安裝位置,對小機凝汽器循環水回水管進行布置及流向改造,確保兩流程凝汽器循環水回水暢通。


3膠球清洗改造后效果
2009年9月至2010年1月,分別對5、6號機1、2號小機膠球系統進行了改造,系統改造后,小機凝汽器真空滿足設計要求,在循環水進口溫度為21℃,循環水溫升為9℃時,凝汽器背壓不超過5.6kPa,達到了在循環水進口溫度為33℃,循環水溫升為9℃時,凝汽器背壓不超過11.6kPa。
改造后收球率達到95%以上,投運正常,消除了重大設備缺陷,防止了凝汽器冷卻水管結垢,提高了小機凝汽器真空。進一步提高機組的經濟性。改造1臺機組的費用為13萬元左右,而改造后膠球系統正常投運,可以使整機效益提高1%~3%。如果按1.5%計算,小汽輪機功率為6MW,平均負荷率為70%,1年可利用小時為5800h,1度電價較小,所以大壩電廠3期2臺機組被同時切除的風險較低。
3雙機切除后廠用電安全倒換措施
由于啟備變容量和高廠變容量基本相等,只能帶2段廠用6kV負荷。如果此時雙機被同時切除,5號、6號機組共4段廠用6kV負荷會同時自動切換至啟備電源,將造成啟備變壓器過載跳閘。如何避免雙機被切除后,發生啟備變壓器過載跳閘,導致廠用電失去的事故,保證機組安全順利停機,就成為當前亟待解決的問題。
為解決上述問題,大壩電廠3期采用2臺機組6kV廠用A、B工作段各保一段負荷的思路。即雙機被切除后,啟備電源自動切換到5號機6kVA段和6號機6kVB段。當以上任意一段自動切換不成功時,由運行人員快速手動切換,以保證廠用電源安全切換至啟備電源,保證機組安全停機和快速恢復并網的需要。
為0.25元,則1臺小機1年可以提高效益為:6000×70%×1.5%×5800×0.25=9(萬元),由此可見改造后無論從經濟性還是延長設備的壽命都是非常有利的。
大壩發電公司通過對小汽輪機凝汽器膠球清洗系統進行改造,不僅達到了節能的效果,更重要的是使設備可靠性大大提高。從2009年9月1臺改造至今,膠球收球率一直保持在95%以上,有效控制了凝汽器冷卻水管結垢現象,提高了小汽輪機的真空度。改造后小汽輪機運行正常,未發生任何問題,使小汽輪機運行從安全性、經濟性、可靠性各方面都得到了很大提高,改造取得了成功。