膠球清洗裝置,冷凝器膠球自動在線清洗裝置的原理及及運行效果分析

通過對水冷式冷凝器污垢熱阻形成原因以及污垢熱阻對冷凝器溫度端差、真空度的影響的分析,提出膠球清洗裝置,冷凝器膠球自動在線清洗裝置方法,應用效果良好。
凝汽設備是凝汽式汽輪機裝置的四個基本組成部分之一,凝汽式汽輪機和背壓式汽輪機的差別之一就是具有凝汽器。凝汽設備的工作性能,直接影響到整個汽輪機裝置的功率、熱效率和運行可靠性。冷凝器按照排汽凝結方式的不同,可以分為混合式冷凝器和表面式冷凝器。其中,混合式冷凝器的優點在于結構簡單、制作成本低,而且這種冷凝器形成真空和保持真空度的能力也不差;但是,混合式冷凝器大的缺點是凝結水和不潔凈的冷卻水相混合,使凝結水的水質變壞,因此不能作為鍋爐的給水,現代汽輪機裝置中已經不采用混合式冷凝器。相反地,用水作為冷卻工質的表面式冷凝器的傳熱系數比較高,而且能夠保證冷凝器維持高的真空度和獲得清潔的、幾乎不含氧的且過冷度很小的凝結水,所謂過冷度就是指在一定壓力下冷凝水的溫度低于相應壓力下飽和冷凝水溫度的差值。因此,表面式冷凝器是現代汽輪機裝置中應用廣泛的凝汽器,我公司采用的是平臥型列管式水冷冷凝器07E001。
膠球清洗裝置,冷凝器膠球自動在線清洗裝置行中出現的問題及處理
膠球清洗裝置,冷凝器膠球自動在線清洗裝置運行中出現的問題及原因分析
2013年3月30日10時,隨著循環水溫度上升至26℃時,發現蒸汽透平01MT01和07MT01的真空度上漲較快,到11:00時真空度上升至0暢03MPa(A),而07E001在2013年2月份大修時剛剛清洗過,且針對蒸汽透平軸封汽的密封系統進行了全面的檢查和維護保養。為保證整套裝置的安全穩定運行,我們先采取開輔助抽吸器的方法進行控制,并對真空系統導淋管線進行排查,看是否存在漏點,經確認,真空系統一切正常。同時,聯系供水廠,要求采取措施降低循環水溫度,避免真空系統進一步惡化。對循環水系統的各個換熱器進行取樣分析,發現換熱器09E002A/B進出口循環水氨氮正常;換熱1期水冷式冷凝器膠球自動在線清洗裝置效果及運行評估器09E005進口循環水氨氮正常,但是出口氨氮含量為168mg/L;07E001進出口循環水溫差減小,且進出口氨氮含量嚴重超標,取樣分析進出口氨含量均為120mg/L,而正常運行時氨含量不超過2mg/L。由于氨氮含量的大大增加,加劇了冷凝器銅管管束內壁的結垢速度,且冷凝器進出口溫差顯著減小,更加說明了冷凝器因結垢致使其換熱效果明顯下降。因此,我們對09E005進行在線堵漏,從源頭上解決氨氮超標;對07E001
采用膠球在線自動清洗,清除冷凝器內部的污泥23與污垢,從而保證07001的正常運行。
膠球清洗裝置,冷凝器膠球自動在線清洗裝置原理簡介
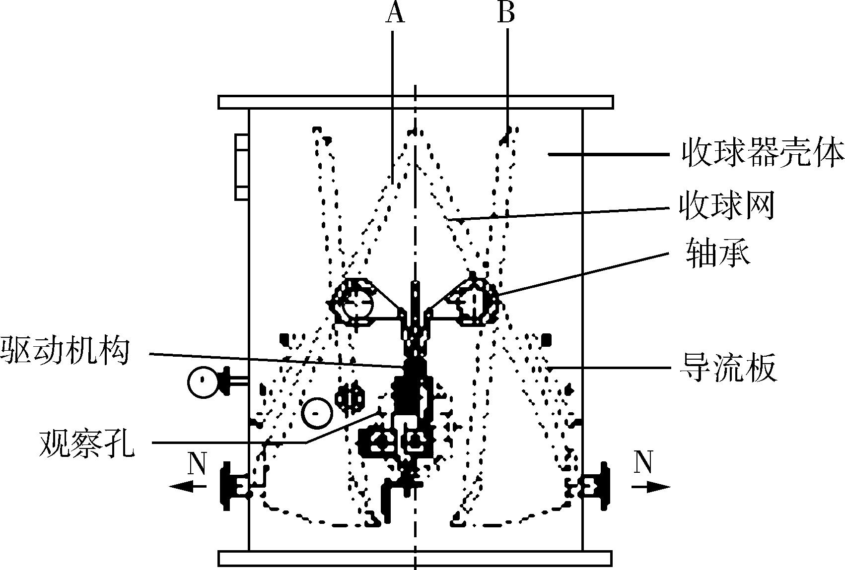
水冷式冷凝器膠球在線自動清洗裝置(見圖1)工作原理為,通過清洗泵將膠球送入列管式冷凝器管程中,循環水壓力大約在0暢4MPa,清洗膠球依靠循環水壓力隨著循環水在冷凝器管內流動,通過膠球與冷凝器管壁間的相互摩擦來清洗掉冷凝器管壁上的沉積物。在冷凝器出口端利用膠球收球器回收膠球,膠球的回收是通過收集裝置的驅動機構來實現的(見圖2),利用驅動機構帶動循環水管道內部收球網形狀的改變,形成正“八”字或者倒“八”字形,以達到收集膠球的目的。然后,再將回收的膠球送至清洗泵,由清洗泵將膠球再次送至循環水入口處,這樣就形成一個清洗循環。我公司采用特殊的清洗泵來實現膠球在線清洗,由于循環過程是自動的、毋需停車,時間間隔短,沉積物在形成初期就被擦掉,使管壁永保潔凈,始終保持冷凝器的換熱效率處于佳狀態,克服由于污垢的產生而引起冷凝器換熱效率的下降,從而降低蒸汽消耗,提高汽輪機的工作效率。
圖2膠球收集裝置示意
熱量由蒸汽向冷卻水的傳遞過程經歷了三個階段,包括蒸汽空氣混合物向冷卻水管壁的傳熱、管壁本身的傳熱和管壁向冷卻水的傳熱。因此,冷凝器傳熱過程中的熱阻是由三部分組成的,即水側的放熱熱阻、管壁的熱阻以及汽側的放熱熱阻。由于冷卻水所走的管程結垢,增加了水側的熱阻值,致使冷凝器的傳熱系數降低,冷凝器溫度端差也將會明顯減小。冷凝器溫度端差的減小,必定會影響到冷凝器的換熱效果,而冷凝器換熱效果的好壞直接影響到蒸汽透平系統的真空度,進而影響到蒸汽透平對蒸汽的消耗以及凝汽式汽輪機的工作性能。
正常生產時,汽輪機排放的低壓蒸汽與循環水在冷凝器中進行熱交換,低壓蒸汽被循環水冷卻至飽和溫度以下,進而形成冷凝液排出。這一熱交換過程中冷凝器的對數平均溫差Δt我們可以近似地認為是冷凝器端差Δt2與冷卻水進出口溫差Δt3一半之和;即此時我們可以認為冷凝器的循環水進出口溫度為定值,則冷凝器的換熱效果就只與冷凝器端差的變化量相關。冷凝器端差的計算公式如下:
圖1水冷式冷凝器膠球在線自動清洗裝置示意
膠球清洗裝置,冷凝器膠球自動在線清洗裝置污垢熱阻對冷凝器真空度的影響分析
冷凝器傳熱系數的大小對冷凝器溫度端差、對冷凝器的工作過程有很大的影響。冷凝器的工作過程基本上是蒸汽空氣混合物沿著冷卻管束流由冷凝器端差計算公式可知,冷凝器的換熱量Q、換熱面積S、設計傳熱系數Kf和冷卻水的進出口溫差Δt3都是一定的,則影響冷凝器端差Δt的主要因素就是循環水側的污垢熱阻Rf,所以,我們可以說污垢熱阻的大小直接影響到冷凝器的換熱效果。
對于凝汽式汽輪機的凝汽器而言,其冷凝效果的好壞直接影響到系統的真空度。當排汽凝汽器膠球在線自動清洗法,是凝汽式汽輪機凝汽器的一種快捷、簡便的清洗方式。膠球在線自動清洗后,凝汽器的真空度顯著下降,蒸汽透平的蒸汽消耗明顯降低,其工作性能也得到了提高,這不僅保證了蒸汽透平的長期、穩定、高效運行,而且達到了節能降耗的目的。這種清洗方法在化工生產中具有重要的應用價值。