凝汽器膠球清洗系統循環水二次濾網改造技術方案、措施、報告及總結

凝汽器膠球清洗系統循環水二次濾網改造技術方案、措施、報告及總結。
循環水二次濾網改造技術措施
1
我公司循環水受季節及上游水庫放水昀影響較大,通過旋轉濾網過濾后循環水中仍然有諸多雜物進入凝汽器導致凝汽器水側堵塞,真空下降,影響經濟性,同步對投運膠球清洗裝置也形成影響。根據集團公司的規定安裝循環水二次濾網解決循環水雜物進入凝汽器的問題。
循環水二次濾網現狀分析
我公司循環水取自澧水河水,在夏季洪水季節以及上游水庫放水的時侯河水中雜物較多,循環水泵旋轉濾網受自身構造的影響,旋轉濾網過濾精度不高,網板兩側密封不嚴,循環水通過旋轉濾網后來尚有許多雜物進入凝汽器。雜物多體現為水草、塑料膜、小木棍等,這些雜物導致凝汽器銅管堵塞,影響機組真空。
3循環水二次濾網技術方案
3.1根據調研的狀況,在循環水旋轉濾網后增長二次循環水濾網可以有效的解決旋轉濾網后雜物多的問題。二次濾網除污工作原理:當循環水通過二次濾網
時,雜物被過濾到排污箱一側(進水側)的網芯內表面,纖維狀的雜物纏進網孔內,網芯臟污后,二次濾網可自行清洗排污。排污時,排污閥打開,排污箱轉動,當排污箱完全覆蓋住一種單元區域時,即開始清洗這個單元區域。因這一網芯單元的進水被堵死,當排污閥處在打開位置時,此單元區域的網芯內外存在一定的壓差,即網芯外側(干凈側)水流的壓力不小于網芯內側(臟污側)的壓力,在這一壓力差的作用下,堵在網芯內表面的雜物一方面開始松
動,然后脫落,后被干凈水沿排污管沖走。當一單元區域的網芯清洗干凈后,排污箱轉至下一單元區域進行排污清洗,直至整個網芯清洗干凈,排污箱停止轉動,排污閥關閉,二次濾網清洗結束。整個網芯清洗一遍約需 5~6分鐘(時間可調),一般狀況下每次清洗二遍,網芯即可徹底清洗干。
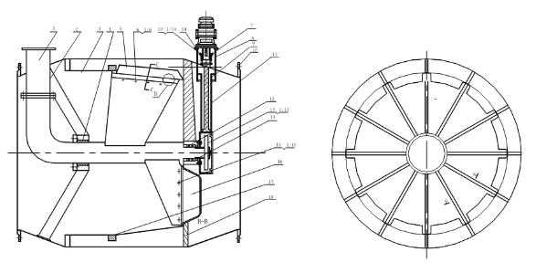
3.2循環水二次濾網系統示意簡圖及管道連接系統圖(圖1,圖2 )

3.3二次濾網內部結構簡圖
3.4二次濾網采用型式的對比。
二次濾網有臥式和立式兩種形勢,兩種型式的二次濾網構造原理都相似。與立式二次濾網相比較,臥式的構造方面的局限性在于:由于網芯是側放的,其網芯和傳動機構、軸套等部件受力不均勻,體積龐大的排污斗及其傳動部件重量可觀,軸套磨損的限度將明顯不小于立式濾網,因此其使用壽命也將不如立式濾網。
此外,在停機等狀況下,循環水停止流動,污染物由于自身重量的作用,也許會沉積在濾網的下方,涉及網芯與排污斗之間的縫隙等地方,也許會導致再啟動時排污斗的卡澀現象,而立式濾網則完全不存在這種問題。安裝臥式二次濾網雖然有造價較低,現場改動少,占用地方少等長處,但其與立式濾網相比,構造缺陷也是比較明顯的,鑒于立式二次濾網技術成熟,又有長周期的運營經驗,建議在現場條件容許的狀況下,優先考慮在循環水系統安裝立式二次濾網。
3.5二次濾網需要滿足的重要技術規定
3.5.1二次濾網的設計安裝必須滿足《凝汽器膠球清洗裝置和循環水二次過濾裝置》DL/ T581- 95的規定。
3.5.2當循環水在設計額定流量下,濾網清潔時,二次濾網的水阻要不不小于DL/ T581-95中規定的4.9KPa的規定,并爭取達到4.0KPa及如下。
3.5.3在額定工況下二次濾網排污流量規定符合DL/ T581 - 95中規定的<5%的規定,并力求達到2%。
3.5.4排污清潔率規定超過95%。
3.5.5二次濾網整體安裝邁進行規定進行2倍工作壓力的水壓實驗。
3.5.6二次濾網的通流倍率規定達到1.3以上。
3.5.7二次濾網規定有以便檢修的人孔門及輔助設施。
3.5.8電氣設備的防護級別規定達到IP65。
4循環水二次濾網施工措施及技術規定
4.1施工環節
4.1.1在機組停運及該機組相應循環水母管退出備用的狀況下進行安裝。
4.1.2割除安裝位置的循環水進水管。
4.1.3對凝汽器循環水進水門進行一次全面的檢修,保證凝汽器循環水進水門可以達到嚴密不漏。
4.1.4分部安裝二次濾網。
4.1.5調試。
4.2循環水二次濾網技術規定
4.2.1管道配制和支吊架制做應符合設計圖紙及《電力建設施工及驗收技術規范(管道篇)》DL5031- -94中4.1、4.2、 4.3、 4.4、 5.6 項的規定。
4.2.2系統中閥門的檢查安裝,規定符合《電力建設施工及驗收技術規范(管道篇)》DL5031-94中3.5項的有關規定。
4.2.3管道的安裝,規定符合《電力建設施工及驗收技術規范(管道篇)》DL5031-94中5.1、5.3、5.4、 5.5 項的規定。
4.2.4管道及系統的清洗和實驗規定滿足《電力建設施工及驗收技術規范(管道篇)》DL5031-94中6.1、6.2 項的規定。
4.2.5安裝過程中的焊接工作規定滿足《電力建設施工及驗收技術規范(火力發電廠焊接篇)》DL5007-92 中的3、5、7項的規定,循環水主管道上面的焊口規定進行100%無損探傷。

5循環水二次濾網安全措施
5.1工作負責人需要現場核對工作票的各項安全措施與否執行到位。
5.2在安裝現場使用的行燈電源為12V。
5.3 施工人員、焊接人員在施工過程中規定穿絕緣鞋并保持身體及衣服干燥。
5.4施工電源由電氣人員接線并有明確的用途標示。
5.5施工現場保持排污泵運營正常,避免水淹廠房事故的發生。
5.6施工期間按規定對工作現場進行氫氣濃度測量。
5.7吊裝管道規定充足考慮鋼絲繩和手動葫蘆昀強度,安全系數≥3,在吊裝過程中嚴禁碰傷其他設備。
5.8高處作業搭設架子,高處施工要系安全帶。
5.9割管道時現場要有防火器材及消防人員。
5.10管道內嚴禁異物進入。
5.11零米層相應位置要設防護圍欄。
6循環水二次濾網組織措施


6.1工作內容:循環水二次濾網改造
6.2施工總負責:工作票負責人職責:負責核算施工中的各項安全措施,負責施工中的協調工作以及檢修質量控制。負有工作票負責人應負附安全責任。
6.3工期: #2機B級檢修期間,工期10天。
6.4交接班制度:由工作票負責人和工作班成員完畢,無交接班制度。
6.5如工程外委,施工單位需要與公司簽訂安全責任書。